Вентилятори радіальні з назад загнутими лопатками робочого колеса ВР-88-72.1 і ВР-80-75.1 виготовляються і постачаються відповідно до ТУ У 29.2-24472991-002-2001 і ТУ У 29.2-24472991-010-2002 відповідно. Вентилятори радіальні з вперед загнутими лопатками робочого колеса ВР-287-46.1 виготовляються та постачаються відповідно до ТУ У 29.2-24472991-006-2002. Вентилятори радіальні вибухозахищені з різнорідних металів ВР-88-72.1В, ВР-80-75.1В, ВР-287-46.1В, ВР-196-32.1В виготовляються та постачаються відповідно до ТУ У 29.2-24472991-019:2007.
Застосування вентиляторів радіальних містить системи кондиціонування повітря, вентиляцію, повітряне опалення та інші санітарно-виробничі цілі.
Вентилятори призначені для використання в умовах помірного клімату (У) другої категорії розміщення за ГОСТом 15150. Вони можуть переміщати повітря й інші газові суміші, які не агресивніше повітря й не містять пилу, твердих домішок більш ніж 0,1 г/м3, а також липких речовин і волокнистого пилу. Температура довкілля має бути в межах від -40 °C до +40 °C.
Вентилятори виготовляються з різних матеріалів, включно з вуглецевою сталлю, оцинкованою сталлю й корозійностійкою сталлю. Під час замовлення необхідно вказувати типорозмір і матеріал вентилятора.
Вентилятори обладнані асинхронними трифазними електродвигунами, які можуть бути під'єднані на місці експлуатації за допомогою прямого пуску, пристрою плавного пуску або частотного перетворювача. Для електродвигунів потужністю від 15 кВт рекомендується використовувати софт-стартери для пуску.
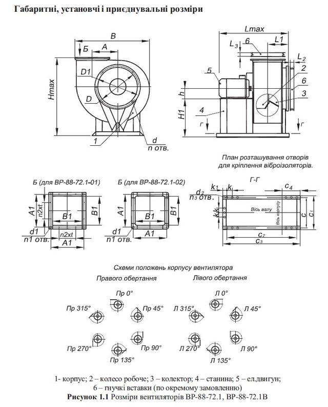
Опис і позначення вентиляторів містить спіральний корпус, робоче колесо, колектор, станину та двигун. Вентилятори можуть бути додатково комплектовані віброізоляторами, гнучкими вставками та огорожами електродвигунів для захисту від атмосферних опадів.
Аеродинамічні характеристики вентиляторів мають відповідати нормальним атмосферним умовам і номінальному проміжку між робочим колесом і колектором. Допускаються відхилення в повному тиску, повному ККД, напруженні та частоті струму в межах встановлених стандартами.
Номери та розміри вентиляторів визначаються їх типорозмірами, які характеризуються номінальним діаметром робочого колеса.


| Основні | |
|---|---|
| Виробник | Інтеркондиціонер |
| Країна виробник | Україна |
| Тип конструкції промислового вентилятора | Радіальний(Відцентровий) |
| Тип промислового вентилятора за виконанням | Багатозональний |
| Напруга мережі | 380~400 В |
| Частота струму | 50 Гц |
| Гарантійний термін | 12 міс |
| Стан | Новий |
| Тип електродвигуна | Асинхронний трифазний |
| Додаткові характеристики | |
| Вибухозахищене виконання | Так |
- Ціна: Ціну уточнюйте
